


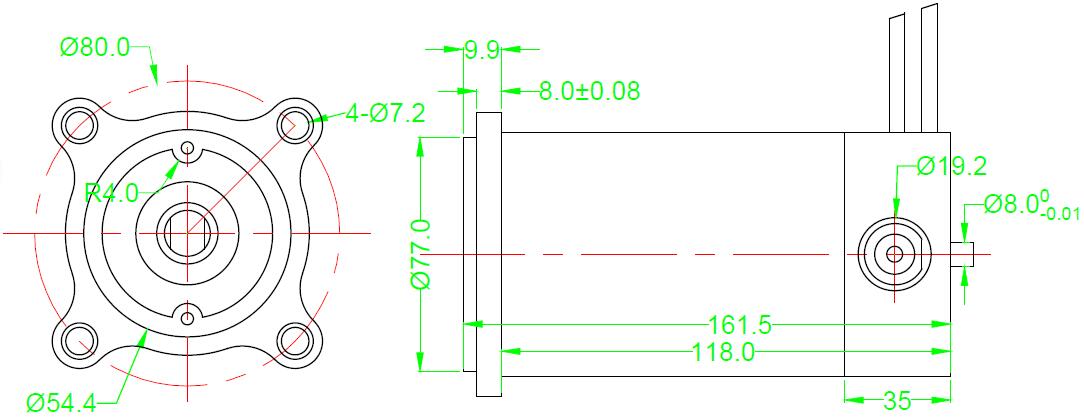
备注:电机性能可以根据客户要求进行设计
Motor voltage, power and speed will be customized according to your request under the allowed circumstance of adoptable dimension.




备注:电机性能可以根据客户要求进行设计
Motor voltage, power and speed will be customized according to your request under the allowed circumstance of adoptable dimension.